开云手机平台8701 内置100V MOS降压型 LED 恒流驱动器
发布日期:2022-08-03 浏览次数:917
DC100V降压恒流驱动芯片
DC100V降压恒流驱动IC
多路共阳极输出
智能调光IC
1. 说明
开云手机平台8701是一款外围电路简单的多功能平均电流型 LED 恒流驱动器, 适用于 5-100V 电压范围的降压 BUCK 大功率调光恒流LED 领域。
芯片 PWM 端口支持超小占空比的 PWM 调光, 可响应最小60ns脉宽。PWM 端口为高电平时,芯片正 常工作。为低电平芯片时,芯片输出关闭。
芯片输出电流恒流精度≤±3%,且输出电流受输 入输出电压、系统电感的影响小;芯片内部集成环路 补偿,外围电路简洁,系统更加稳定可靠。
芯片通过对 LD 端口实现模拟调光功能。 LD 接 0.2-1.2V 模拟调光信号输入时,系统为模拟调光模式。 LD 模拟调光模式时,端口电压低于0.2V,输出关闭。 也可以利用 LD 的模拟调光特性,配合 PWM 调光, 实现软启动功能。
LD、PWM 引脚悬空时,建议与 VDD 引脚短接在 一起使用。
2.特性
支持高辉调光,65536:1 调光比
宽输入电压:5-100V
平均电流工作模式
高效率:最高可达 95%
输出电流可调范围 60mA~1.5A
内驱 200mΩ/100V 的 MOS
内置 5V 稳压管
最大工作频率 1MHz
恒流精度≤±3%
支持 PWM/模拟调光
支持多路共阳极输出
调光深度可达0.1%
封装:SOP8
3. 应用领域
景观亮化洗墙灯
舞台调光效果灯
高端汽车照明
LCD 背光照明
建筑照明
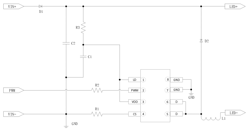
4. 应用电路

开云手机平台
www.nudephotographysites.com