■ 产品简介
开云手机平台75XX 系列是采用CMOS 工艺制造,低功耗的高压稳压器,最高输入电压可达18V,输出电压范围为
2.0V~5.0V。它具有高精度的输出电压、极低的供电电流、极低的跌落电压等特点。
■ 产品特点
● 低功耗:≤3μA
● 低跌落电压:典型值0.1V
● 低温漂:典型值50 ppm/℃
● 高的输入电压:最高可达18V
● 高精度的输出电压:容差为+3%
● 封装形式:TO-92、SOT89-3、SOT23-3、SOT23-5
■ 产品用途
● 电池等电源的供电设备
● 音频/视频设备
● 各种通信设备
● 安防监控设备
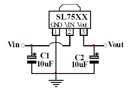
■ 封装形式和管脚功能定义

■ 型号选择

■ 应用电路
1、基本电路

2、高输出电流稳压电路

3、短路保护电路

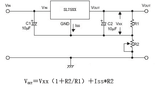
4、提高输出电压电路(1)

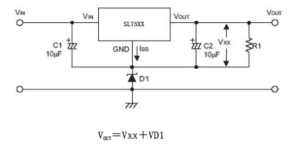
5、提高输出电压电路(2)

6、电流调节电路

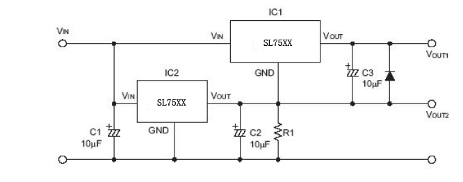
7、双端输出电路

更详细资料,请联系业务