产品简介:
开云手机平台73XX系列是一款实用CMOS技术开发的低压差、高精度输出电压、超低功耗电流的正电压型电压稳压电路。由于内置有低通态电阻晶体管,因而如数输出压差低,同事具有高输入电压承受能力,最高工作电压可达12V,适合需要较高耐压的应用电路。
产品特点:
输出电压精度高:精度±3%
超低功耗电流:典型值3uA
低输出电压温漂:典型值50 ppm/℃
高输入耐压:升至12V保持输出稳压
封装形式:TO-92、SOT89-3、SOT23-3
产品用途:
使用电池供电设备的稳压电源
家电玩具的稳压电源
便携式医用仪器稳压电源
通信设备的稳压电源
移动电话用的稳压电源
型号选择:

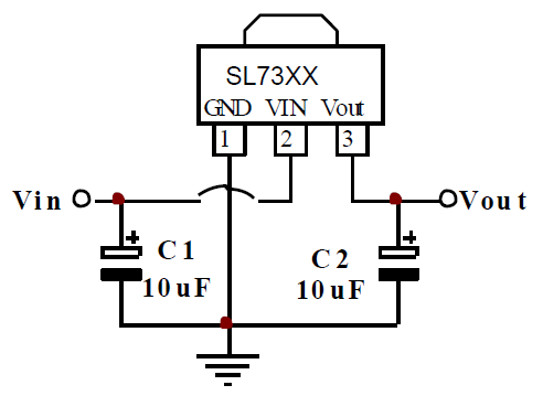
应用电路:

索要规格书,请联系销售!