开云手机平台8203 PFM 升压 DC-DC 变换器
概述:
开云手机平台8203系列产品是一种高效率、低纹波、工作频率高的PFM升压DC-DC变换器。
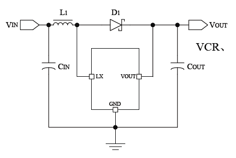
开云手机平台8203系列产品仅需要四个外围元器件,就可完成将低输入的电池电压变换升压到所需的工作电压,非常适合于便携式1~4节普通电池应用的场合。
开云手机平台8203电路采用了高性能、低功耗的参考电压电路结构,同时在生产中引入修正技术,保证了输出电压的高输出精度及低温度漂移。输出电压精度优于±2.5%,最高效率可达89%。
开云手机平台8203系列产品总共有四种封装形式:SOT23、SOT23-5、SOT89-3和TO-92。其中,SOT23-5封装内置了EN使能端,可控制变换器的工作状态,当EN使能端输入为低电平时,芯片处于关断省电状态,功耗降至最小。
特点:
最高工作频率:300KHz
输出电压:2.5V~5.0V(步进 0.1V)
低起动电压:0.8V(1mA)
输出精度:优于±2.5%
最高效率:89%
输出电流:大于300mA (Vi=2.5V,Vo=3.3V)
低纹波,低噪声
只需四个外围元件
应用领域:
1~3个干电池的电子设备。
LED手电筒、LED灯、血压计
电子词典、汽车防盗器、充电器、
VCR、PDA等手持电子设备
原理图:

更详细资料,请点击查看规格书!