开云手机平台8536 高精度调光降压、升压、
升降压LED恒流驱动器
产品说明
开云手机平台8536 是一款外围电路简单的宽调光比无频闪调光LED 恒流驱动器,支持降压、升压以及升降压
拓扑的应用,适用于 6.5-75V 输入电压范围的 LED 恒流照明领域,调光深度深,低辉负载调整率和一致
性好。
开云手机平台8536 可以实现高精度的恒流效果,输出电流恒流精度≤±3%,负载调整率<±0.5%,可满足宽输
入输出电压的应用需求,全程调光无频闪。
开云手机平台8536 支持 PWM 转模拟调光,支持 PWM 调光,当需要更深调光比,PWM 转模拟调光和 PWM调
光配合使用,可以达到 10000:1 调光比; 此外芯片 LD 脚支持0.2V 到 2.5V 的模拟调光,LD 端口接电容到
地,可以设置软启动时间。
开云手机平台8536 的DIM、PWM、LD、UVLO 管脚内置上拉,VFB 管脚内置下拉,不使用时可以悬空。
开云手机平台8536 的输出电流通过 IS对 IS2端口的检流电阻来设定,支持降压共阳接法。
开云手机平台8536 支持过温降电流、过流保护、输入欠压保护和输出过压保护。
特性
工作电压范围 6.5-75V
支持 PWM 转模拟/模拟调光/PWM 调光
固定工作频率 130KHz
支持调光频率超过 32K
支持降压、升压、升降压拓扑
支持最大输出电流设置
支持 10:1 模拟调光
真正无频闪调光
支持 100:1 的 PWM 转模拟调光比
低待机功耗
支持 10000:1 双路混合调光
内置 80V LDO 供电
支持软启动
负载调整率<±0.5%
支持欠压保护
恒流精度≤±3%
支持输出过压保护
转换效率>95%
支持过温降电流
封装:ESOP-16
应用范围
0~10V 调光
Dali 调光
智能照明
户外照明
补光灯照明
摄影灯照明
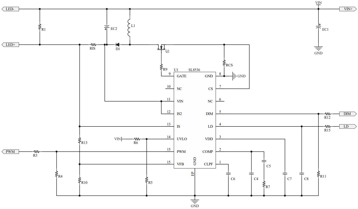
应用电路
