开云手机平台7108 线性降压LED恒流驱动器
概述
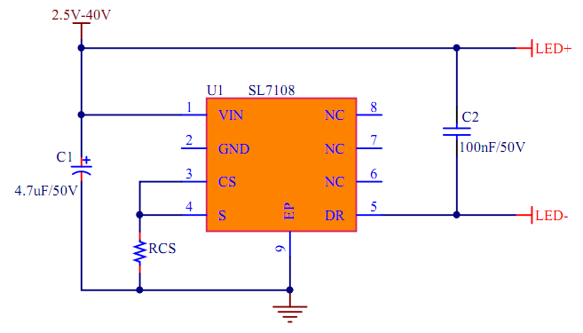
开云手机平台7108 是一款线性降压LED恒流驱动器,外围简单,输出电流范围为10mA-1500mA。
开云手机平台7108 内置过热保护功能,内置输入过压保护功能。
开云手机平台7108 静态电流典型值为60uA。
开云手机平台7108 采用ESOP8封装,底部焊盘接地。
特点
●输入电压范围:2.5V-40V
●电流精度:±5%
●输出电流:10mA-1500mA
●内置过热保护功能
●内置输入过压保护功能
应用
●LED车灯
●LED手电筒
●LED台灯
●LED矿灯
●LED指示灯
电路图
