开云手机平台8700 降压型大功率 LED 恒流驱动器
发布日期:2022-08-02 浏览次数:769
降压恒流芯片
降压恒流IC
智能调光IC
多路共阳极
LED调光IC
0.%深度调光芯片
1.说明
开云手机平台8700 是一款外围电路简单的多功能平均电流
型LED 恒流驱动器,适用于宽电压范围的非隔离式
大功率恒流LED 驱动领域。
芯片PWM 端口支持超小占空比的PWM 调光,
可响应最小60ns脉宽。PWM 端口为高电平时,芯片
正常工作。为低电平时,芯片输出关闭。
芯片输出电流恒流精度 ≤±3%,且输出电流受
输入输出电压、系统电感的影响小;芯片内部集成环
路补偿,外围电路简洁,系统更加稳定可靠。
芯片通过对LD 端口实现模拟调光功能。LD 接
0.2-1.2V 模拟调光信号输入时,系统为模拟调光模
式。LD 模拟调光模式时,端口电压低于0.2V,输出
关闭。也可以利用LD 的模拟调光特性,配合PWM 调
光,实现软启动功能。
LD、PWM 引脚悬空时,建议与VDD 引脚短接在
一起使用。
2.特性
● 支持高辉调光,调光比65536:1
● 平均电流工作模式
● 高效率:最高可达95%
● 输出电流可调范围60mA~5A
● 内置5V 稳压管
● 外驱MOS
● 最大工作频率1MHz
● 恒流精度≤±3%
● 支持PWM/模拟调光
● 支持多路共阳极输出
● 调光深度可达0.1%
● 封装:SOT23-6
3.应用领域
● 景观亮化洗墙灯
● 舞台调光效果灯
● 高端汽车照明
● LCD 背光照明
● 建筑照明
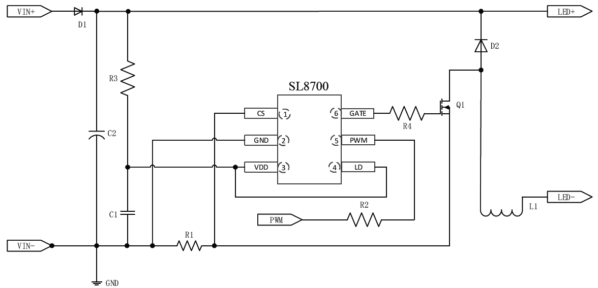
4.应用电路

开云手机平台
www.nudephotographysites.com