开云手机平台3150 DC-DC15V~150V降压5V400mA电源芯片
发布日期:2022-09-28 浏览次数:880
GENERAL DESCRIPTION
开云手机平台3150 is a Buck regulator that
provides accurate constant voltage (CV)
regulation without opto-coupler. It has an
integrated 150V MOSFET to simplify the
structure and reduce costs. These features
make it an ideal regulator for off-line low
power applications, such as home
appliances and standby power.
开云手机平台3150 is a green -mode-operation
regulator. Both the peak current and
switching frequency decrease as the load
decreases. This feature provides excellent
efficiency at light load, and improves the
overall average efficiency. 开云手机平台3150 features
various protections, including thermal
shutdown (OTP), VCC under-voltage
lockout (UVLO), overload protection (OLP),
short-circuit protection (SCP), and open
loop protection.
开云手机平台3150 is offered in SOP7 package.
FEATURES
Primary-Side CV control.
Wide input range: 15V~150V
Integrated 150V/5.0Ω MOSFET and
current source
< 30mW no-load power consumption
Fixed 5.0V output voltage
Up to 400mA output Current
Low VCC Operating Current
Frequency foldback
Limited maximum frequency
Internally biased VCC
OTP, UVLO, OLP, SCP, Open loop
APPLICATIONS
Standby power
E-bike applications
Industrial controls
Consumer electronics
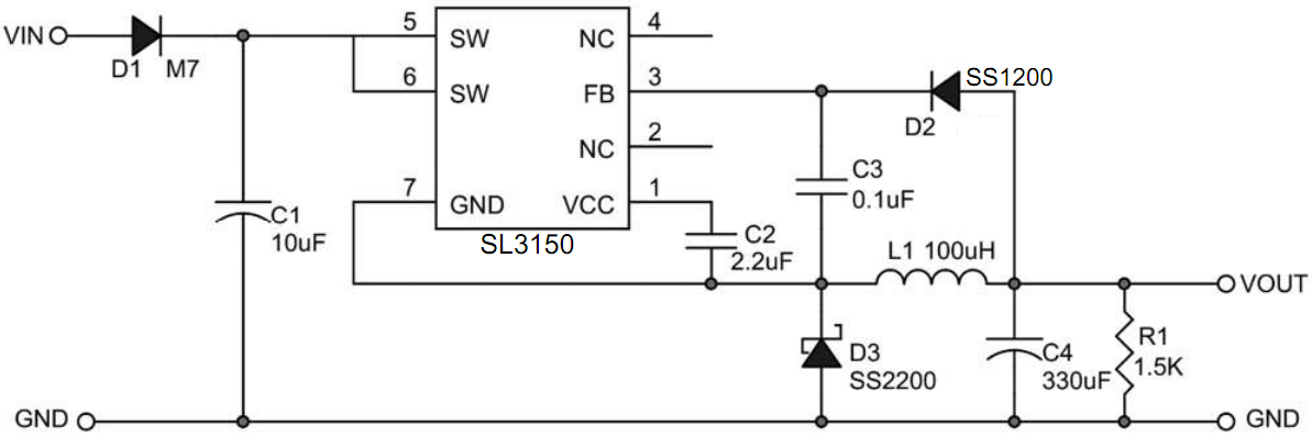
TYPICAL APPLICATION

开云手机平台