开云手机平台1509HV 5V-48V降压12V、5V、3.3V2Adcdc降压恒压IC
发布日期:2022-09-23 浏览次数:901
dcdc48V降压12V/2A电源芯片
dcdc48V降压5V/2A恒压芯片
dcdc48V降压3.3V/2A稳压IC
Description
The 开云手机平台1509HV are monolithic IC designed for a stepdown
DC/DC converter, and own the ability of driving a
2A load without additional transistor. It saves board space.
The external shutdown function can be controlled by logic
level and then come into standby mode. The internal
compensation makes feedback control having good line and
load regulation without external design. Regarding protected
function, thermal shutdown is to prevent over temperature
operating from damage, and current limit is against over
current operating of the output switch. If current limit function
occurs and VFB is down below 0.5V, the switching frequency
will be reduced. The 开云手机平台1509HV operates at a switching
frequency of 150KHz thus allow smaller sized filter
components than what would be needed with lower frequency
switching regulators. Other features include a guaranteed
+4% tolerance on output voltage under specified input voltage
and output load conditions, and +15% on the oscillator
frequency. The output version included fixed 3.3V, 5V, 12V,
and an adjustable type. The chips are available in a standard
8-lead SOP-8 package.
Features
• Output Voltage: 3.3V, 5V, 12V and Adjustable Output
Version
• Adjustable Version Output Voltage Range, 1.23V to
18V+4%
• 150KHz +15% Fixed Switching Frequency
• Voltage Mode Non-Synchronous PWM Control
• Thermal-Shutdown and Current-Limit Protection
• ON/OFF Shutdown Control Input
• Operating Voltage can be up to 48V
• Output Load Current: 2A
• SOP-8 Packages
• Low Power Standby Mode
• Built-in Switching Transistor On Chip
• SOP-8: Available in “Green” Molding Compound
(No Br, Sb)
• Lead Free Finish/ RoHS Compliant (Note 1)
Applications
• Simple High-Efficiency Step-Down Regulator
• On-Card Switching Regulators
• Positive to Negative Converter
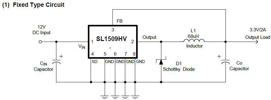
Typical Application Circuit



开云手机平台