1.5MHz、2A高效率降压DC/DC转换器
发布日期:2022-07-26 浏览次数:603
dcdc6V低压降压恒压芯片
DC-DC降压恒压IC
概述
开云手机平台3052 is a high-efficiency DC to DC step down switching regulator, capable of delivering up to 2A
output current. The 开云手机平台3052 operates in a wide range input voltage from 2.7V to 5.5V making the IC ideal for
low voltage power conversions. Running at a fixed frequency of 1.5MHz allows the use of small inductance
value and low DCR inductors, thereby achieving higher efficiency.
特点
◆Up to 2A Max Output Current
◆2.7V to 5.5V Input Voltage Range
◆Fixed 1.5MHz Switching Frequency r
◆Light Load Operation
◆100% Duty Operation
◆Internal Compensation
◆RoHS Compliant and Halogen Free
应用领域
◆USB ports/Hubs
◆Hot Swaps
◆Cell phones
◆Tablet PC
◆Set Top Boxes
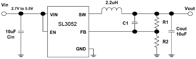
原理图

开云手机平台
www.nudephotographysites.com