开云手机平台3051 内置输入OVP保护,高效、高频的同步降压DC-DC 转换器
发布日期:2022-07-26 浏览次数:930
DCDC低压降压恒压芯片
dcdc6V降压恒压IC
dcdc2.7V-6V降压恒压电路
概述
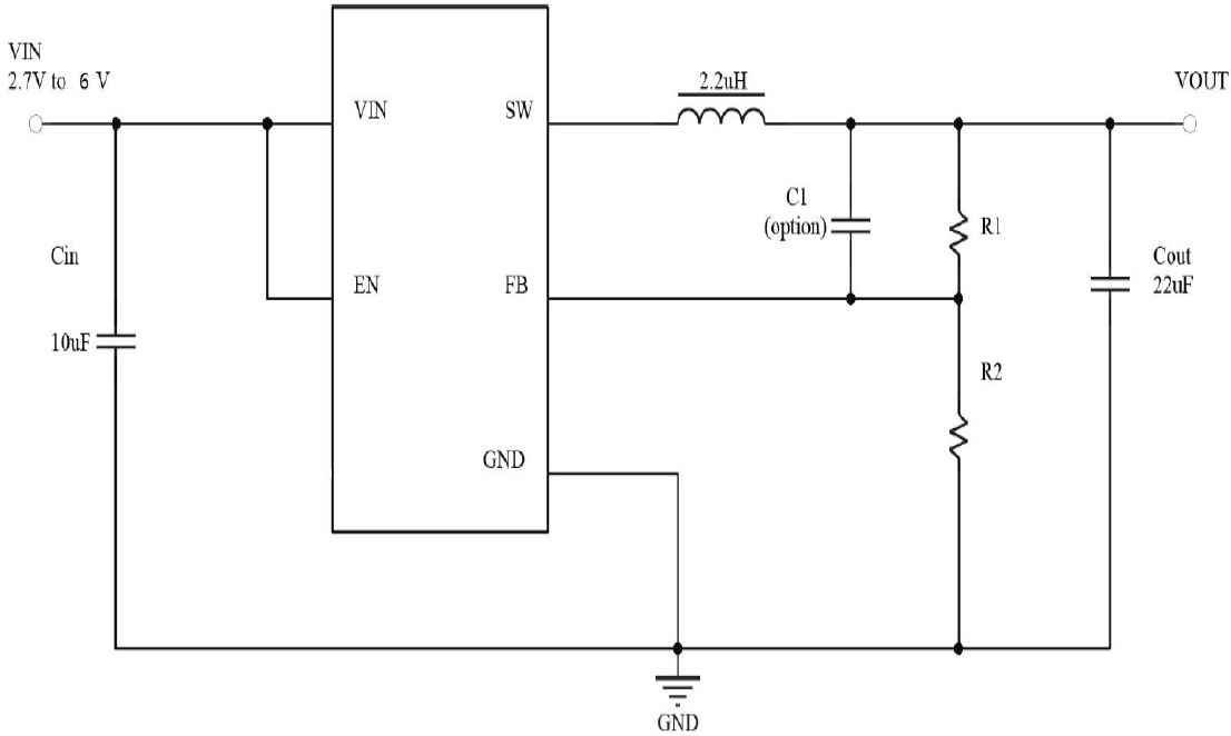
开云手机平台3051 是一款内置输入OVP保护,高效、高频的同步降压DC-DC 转换器,最高可带载1.2A 连续电流。
开云手机平台3051 可在2.7V到6V的宽输入电源电压下工作。内部的主开关和同步开关管的RDS(ON)非常小,从而
传导损耗很小,效率很高。该款芯片工作开关频率为1.5MHz两种工作频率,输出纹波很小,同时只需
要很小的外围电感和电容。
开云手机平台3051 采用SOT23-5L封装。
特性
● 输入电压范围2.7-6V
● 输入OVP保护(典型值:6.5V)
● 1.2A持续带载电流
● 输出纹波小
● 内置软启动以减小浪涌电流
● 100% Duty-cycle工作能力
● 短路保护,过温保护功能
应用领域
● LCD 电视
● 机顶盒
● 网络计算机
● 迷你笔记本电脑
● 路由器连接点
原理图

开云手机平台
www.nudephotographysites.com