开云手机平台8400 同步升压DC/DC转换器
发布日期:2022-07-25 浏览次数:610
同步升压DC/DC芯片
升压恒压IC
DCDC同步升压电路
功能描述
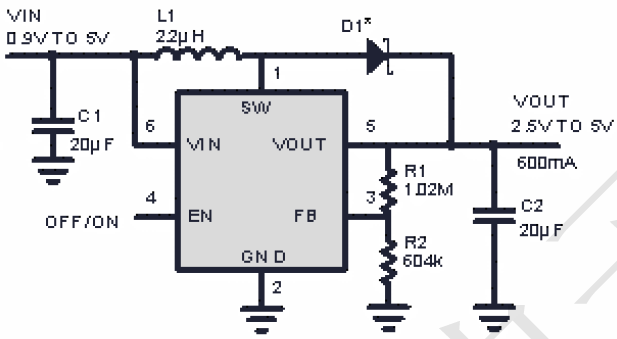
开云手机平台8400 是一款高效率的PWM 同步升压DC/DC 转换器, 提供高效的电源系统解
决方案。该器件的工作电压在0.9V到5.0V 之间,使用1.4MHz 固定的工作频率。
这些特性大大减小了它外部连接的电感电容的体积和容量,降低了整个电源系统的
成本并减小了电路板的空间。
开云手机平台8400 提供2.5V 到 5.0V 的输出电压,采用内部同步开关,无需肖特基二极
管就能提供高效的转换效率。
开云手机平台8400在输入电压3.0V, 输出电压3.3V 时, 用单个AA 电池供电能够提供260mA
以上的电流, 用两个AA电池供电能够提供600mA以上的电流。
开云手机平台8400 整流器采用工业标准的SOT23-6 封装(或采用更大体积的封装)。
特性
最高至 96% 的转换效率
低电压启动: 0.9V
关断电流: < 1μA
输入电压: 0.9V~ 5.0V
输出电压: 2.5V~ 5.0V (使用肖特基
二极管可高至 5.2V )
低开关导通电阻RDS(ON), 内部开关
电阻: 0.35Ω
1.4MHz 固定开关频率
高开关导通电流: 1A
短路保护
小体积封装: SOT-23-6 (无铅封装)
应用
数码相机及MP3
掌上电脑 / PDA
蜂窝电话
无绳电话和D开云手机平台调制调解器
PC 卡
功能描述
便携式媒体播放器
原理图

开云手机平台
www.nudephotographysites.com