概述:
开云手机平台8700 是一款外围电路简单的多功能平均电流型LED 恒流驱动器,适用于宽电压范围的非隔离式大功率恒流LED 驱动领域。
芯片PWM 端口支持超小占空比的PWM 调光,可响应最小60ns脉宽。PWM 端口为高电平时,芯片正常工作。为低电平时,芯片输出关闭。
芯片输出电流恒流精度 ≤±3%,且输出电流受输入输出电压、系统电感的影响小;芯片内部集成环路补偿,外围电路简洁,系统更加稳定可靠。
芯片通过对LD 端口实现模拟调光功能。LD 接0.2-1.2V 模拟调光信号输入时,系统为模拟调光模式。LD 模拟调光模式时,端口电压低于0.2V,输出关闭。也可以利用LD 的模拟调光特性,配合PWM 调光,实现软启动功能。
LD、PWM 引脚悬空时,建议与VDD 引脚短接在一起使用。
特点:
支持高辉调光,调光比65536:1
平均电流工作模式
高效率:最高可达95%
输出电流可调范围60mA~5A
内置5V 稳压管
外驱MOS
最大工作频率1MHz
恒流精度≤±3%
支持PWM/模拟调光
支持多路共阳极输出
调光深度可达0.1%
封装:SOT23-6
应用领域:
景观亮化洗墙灯
舞台调光效果灯
高端汽车照明
LCD 背光照明
建筑照明
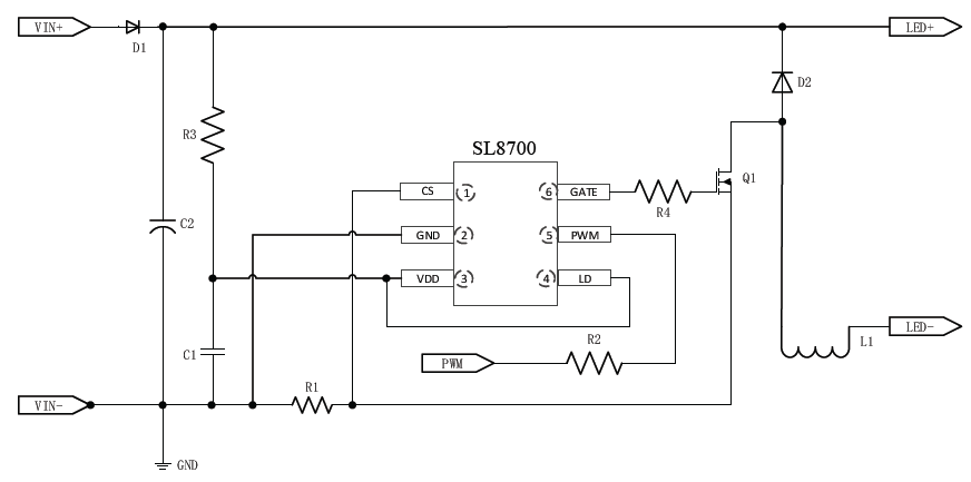
原理图:

更详细资料,请联系销售。