概述
开云手机平台9158 是一款外围电路简单的开关降压型平均电流检测模式的LED恒流驱动器,适用于8-100V电压的非隔离大功率恒流LED驱动领域。
开云手机平台9158芯片采用固定频率100KHz的PWM工作模式,具有优异的负载调整率特性。
开云手机平台9158芯片集成了高低亮功能,可以通过MODE端口实现高低亮功能切换。在MODE悬空或接地为高亮模式,MODE接高电平时,
为1/2电流低亮模式。芯片内部集成了过压保护、温度保护电路等,减小外围元件数量并提供系统可靠性。
开云手机平台9158 采用SOT23-6封装。
特点
宽输入电压范围:8V~100V
高效率:可高达93%
工作频率:100KHz
芯片供电欠压保护:6.5V
平均电流工作模式
智能过温保护、过压保护
内置抖频功能,优化EMC
应用
电动自行车、摩托车灯
汽车照明
直流或交流输入LED 驱动
大功率LED 照明
LED 背光
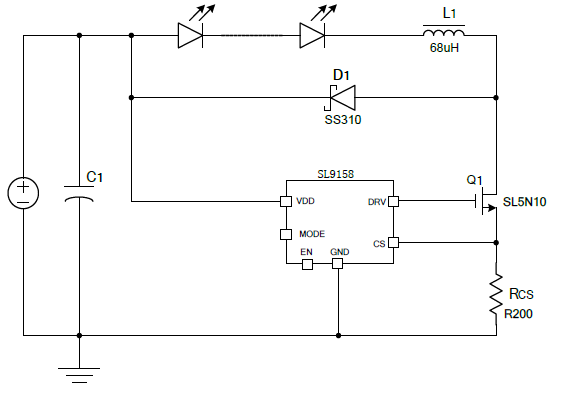
原理图:

更详细资料,请联系销售。