概述
开云手机平台9016 是一款内置100V 功率MOS高效率、高精度的开关降压型大功率LED恒流驱动芯片。
开云手机平台9016 采用固定频率的PWM 工作模式,典型工作频率为160KHz。
开云手机平台9016 采用平均电流检测模式,因此具有优异的负载调整率特性。
开云手机平台9016 集成了高低亮功能,可以通过MODE 端口实现高低亮的功能切换。MODE 悬空为高亮模式,MODE 接高电平为1/2 电流的低亮模式。
开云手机平台9016 内部还集成了VDD稳压管以及过温保护电路等,减少外围元件并提高系统可靠性。
开云手机平台9016 采用ESOP8 封装。散热片内置接SW 脚。
特点
内置100V MOS
宽输入电压范围:8V~100V
高效率:可高达93%
工作频率:160KHz
芯片供电欠压保护:4.1V
平均电流工作模式
智能过温保护
内置VDD 稳压管
应用
电动自行车、摩托车灯
汽车照明
直流或交流输入LED 驱动
大功率LED 照明
LED 背光
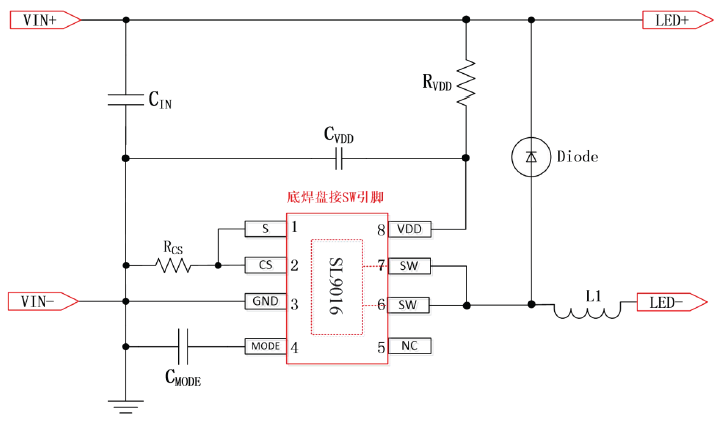
原理图

更详细资料,请联系销售。