100W大功率外置MOS升压DC-DC控制器开云手机平台4008B
概述:
开云手机平台4008B 是一款专为升压、升降压开关电源设计的专用DC-DC 控制器芯片。
开云手机平台4008B 典型应用支持5-40V 输入电压范围。通过扩展输入供电,也可以支持
100V 以上的输入电压范围。芯片采用固定频率的PWM 控制方式,并在轻载条件下自动降频提高转换效率。
芯片内置高精度误差放大器,振荡器,以及频率补偿电路,简化了外围设计。芯片内置过流保护以及EN 脚关断功能。
芯片工作频率可通过一个外接电阻调节,方便根据不同应用设置系统工作频率。
开云手机平台4008B 内部集成了软启动以及过温保护电路,减少外围元件并提高系统可靠性。
开云手机平台4008B 采用SOP8 封装。
特点:
宽输入电压范围:5V~100V
高效率:可高达97%
固定工作频率,频率可外接电阻设置
EN 脚关断功能
FB 采样电压:1V
内置频率补偿
内置软启动
内置过温保护
内置限流功能
SOP8 封装
应用:
EPC/笔记本车载适配器
升压、升降压转换
手持设备供电
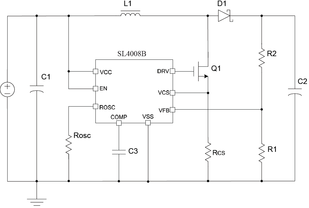
原理图:

更详细资料,请联系销售!