开云手机平台1576 2.5A高效率1.2MHz升压转换器
发布日期:2022-08-12 浏览次数:745
dc-dc升压恒压芯片
dc-dc升压电源IC
dc-dc升压转换器
16V升压IC
GENERAL DESCRIPTION
The 开云手机平台1576 is a constant frequency, 6-pin
SOT23 current mode step-up converter intended for
small, low power applications. The 开云手机平台1576
switches at 1.2MHz and allows the use of tiny, low
cost capacitors and inductors 2mm or less in height.
Internal soft-start results in small inrush current and
extends battery life.
The 开云手机平台1576 features automatic shifting to pulse
frequency modulation mode at light loads. The
开云手机平台1576 includes under-voltage lockout, current
limiting, and thermal overload protection to prevent
damage in the event of an output overload. The
开云手机平台1576 is available in a small 6-pin SOT-23
package.
FEATURES
⚫ Integrated 80mΩ Power MOSFET
⚫ 2.2V to 16V Input Voltage
⚫ 1.2MHz Fixed Switching Frequency
⚫ Adjustable Over Current Protection: 0.5A
~2.5A
⚫ Internal 2.5A Switch Current Limit(OC pin
floating)
⚫ Adjustable Output Voltage
⚫ Internal Compensation
⚫ Over Voltage Protection
⚫ Up to 20V Output Voltage
⚫ Automatic Pulse Frequency Modulation Mode
at Light Loads
⚫ up to 93% Efficiency
⚫ Available in a 6-Pin SOT23-6 Package
APPLICATIONS
⚫ Battery-Powered Equipment
⚫ Set-Top Boxed
⚫ LCD Bais Supply
⚫ D开云手机平台 and Cable Modems and Routers
⚫ Networking cards powered from PCI or PCI
express 开云手机平台ots
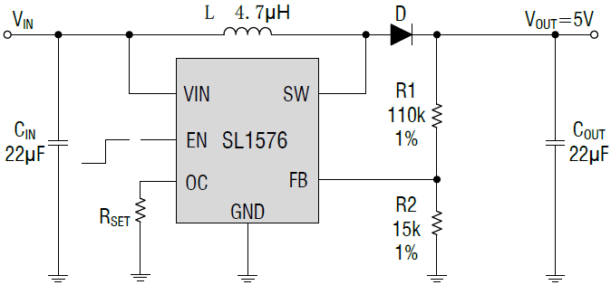
TYPICAL APPLICATION

开云手机平台
www.nudephotographysites.com