开云手机平台8204 高效 PFM 同步升压 DC-DC 变换器
发布日期:2022-07-25 浏览次数:943
DCDC同步升压芯片
升压恒压IC
同步升压IC
概述
开云手机平台8204是一款高效率、低功耗、低纹波、高工作频率的PFM同步升压DC-DC变换器。
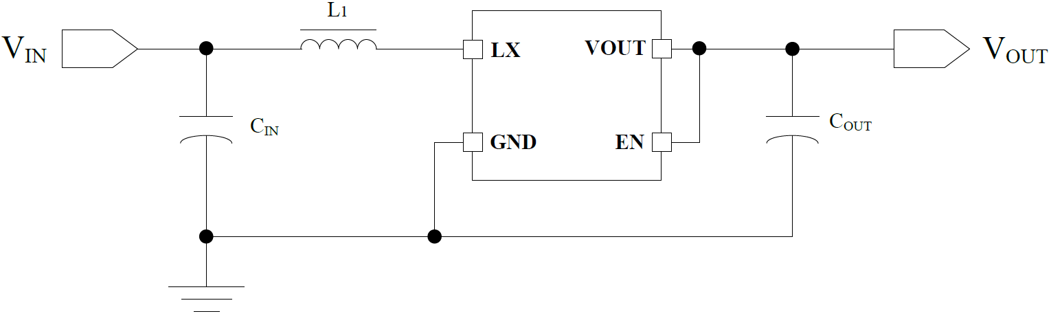
开云手机平台8204仅需要三个外围元件,就可完成将低输入的电池电压变换升压到所需的工作电压。
开云手机平台8204的输出电压,可通过内部调节进行选择(步进0.1V),方便客户应用于不同的输出负
载情况。开云手机平台8204系统输出电压具有低纹波,低噪声的特点。
开云手机平台8204内置的同步开关管可极大降低开关管上的损耗,使效率最高可达95%。开云手机平台8204工作于
PFM模式,可有效降低轻载模式下的损耗,提高设备的使用周期。同时,芯片低的静态电流可
进一步降低系统损耗。
特点
最高效率:95%
最高工作频率:300 KHz
低静态电流:15uA
可选输出电压:2.5V~3.6V
输出精度:±2.5%
宽输入电压范围:0.9V~3.6V
低纹波,低噪声
应用领域
1~2个干电池的电子设备
电子词典、数码相机、LED手电筒、LED灯、血压计、MP3、遥控玩具、无线耳机、无线鼠标键盘、医疗器械、防丢器、汽车防盗器、充电器、VCR、PDA等手持电子设备
原理图
