开云手机平台3150 15-150V电动车专用降压恒压电源芯片
发布日期:2022-06-13 浏览次数:604
开云手机平台 /
开云手机平台3150 15-150V电动车专用降压恒压电源芯片
开云手机平台3150 48V60V降压5V电动车仪表电源芯片
开云手机平台3150 72V100V降压5V仪表专用电源芯片
开云手机平台3150 36V降压5V电动车中控电源芯片
概述:
开云手机平台3150 是一款降压稳压器,无需光耦合器即可提供精确的恒压 (CV) 稳压。开云手机平台3150内部集成的 150V MOSFET,以简化结构并降低成本。
使其成为离线低功耗应用的理想稳压器,例如家用电器和待机电源。
开云手机平台3150 是一款绿色模式操作稳压器。峰值电流和开关频率都随着负载的降低而降低。此功能在轻负载时提供了出色的效率,并提高了
总体平均效率。 开云手机平台3150 具有多种保护功能,包括热关断 (OTP)、VCC 欠压锁定 (UVLO)、过载保护 (OLP)、短路保护 (SCP) 和开环保护。
开云手机平台3150 采用 SOP7 封装。
特点:
宽输入范围:15V~150V
集成 150V/5.0Ω MOSFET
< 30mW 空载功耗
固定5.0V输出电压
高达500mA的输出电流
低 VCC 工作电流
频率折返
限制最大频率
内部偏置 VCC
热关断 (OTP)
VCC 欠压锁定 (UVLO)
过载保护 (OLP)
短路保护 (SCP)
开路保护
应用领域:
备用电源
电动自行车应用
工业控制
消费电子
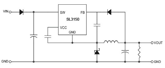
原理图:
