欢迎访问开云手机平台官网!
0755-26786865
15818532899
开云(中国)
当前位置: 主页 > 应用方案
  • 开云手机平台7108兼容青蓝LAN1165ED,LED台灯专用方案

    开云手机平台7108兼容青蓝LAN1165ED,LED台灯专用方案

    开云手机平台7108(兼容青蓝LAN1165ED脚位)除了脚位兼容它以外,我们的开云手机平台7108还有以下几个突出优势:一是我们的是单晶元设计,而LAN1165ED是芯片和mos晶圆通过一条打线合封到一起,合封的热量传导以及性能没有单晶圆设计好,二 我们开云手机平台7108芯片的散热片是“热电分离”而LAN1165不是热电分离!概述开云手机平台71...

  • 开云手机平台8533B 12-24V升压 负载10串灯 80W投影仪产品

    开云手机平台8533B 12-24V升压 负载10串灯 80W投影仪产品

    开云手机平台8533B升压驱动芯片的应用:12-24V升压至80W投影仪产品驱动一、概述开云手机平台8533B是一种高效、稳定的升压驱动芯片,适用于将12-24V的输入电压升压至80W投影仪产品的驱动。该芯片具有高效率、低功耗、高可靠性以及易于集成的特点,为12-24V升压80W投影仪产品的驱动提供了全新的解决方案。二、需求分析根据1...

  • 开云手机平台4010   3节锂电池串联9-12V升压32V 3A/5A  应用领域音响

    开云手机平台4010 3节锂电池串联9-12V升压32V 3A/5A 应用领域音响

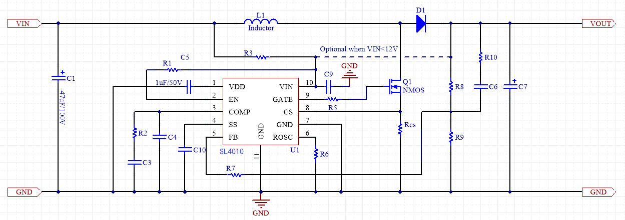
    针对3节锂电池串联9-12V升压32V 3A/5A的音响应用,可以考虑使用开云手机平台4010这款电流模式降压型开关稳压电路进行升压。该电路具有宽输入电压范围、精确的电流限制、非常低的静态工作电流等优点,适合使用电池供电的应用场合 开云手机平台4010是一款外围电路简单的 BOOST 升压恒压控制驱动芯片,适用于 2.7-40V 输...

  • 开云手机平台3037B :DC24伏输入5伏输出带单片机,电流100mA,应用于发热毛巾架

    开云手机平台3037B :DC24伏输入5伏输出带单片机,电流100mA,应用于发热毛巾架

    概述 开云手机平台3037B 是一款内置功率MOSFET的单片降压型开关模式转换器。开云手机平台3037B在5.5-60V 宽输入电源范围内实现 0.6 A峰值输出电流,并且具有出色的线电压和负载调整率。 开云手机平台3037B采用PWM 电流模工作模式, 环路易于稳定并提供快速的瞬态响应。 开云手机平台3037B集成了包括逐周期电流限制和热关...

  • 森利威尔开云手机平台4010 12V升压30V 200-300W芯片 移动设备供电IC

    森利威尔开云手机平台4010 12V升压30V 200-300W芯片 移动设备供电IC

    开云手机平台4010 BOOST 升压恒压控制器芯片说明 开云手机平台4010是一款外围电路简单的 BOOST 升压恒压控制驱动芯片,适用于 2.7-40V 输入电压范围的升压恒压电源应用领域,启动电压可以低至 2.5V。 开云手机平台4010会根据负载的大小自动切换 PWM,PFM和BURST 模式以提高各个负载端的电源系统效率。 开云手机平台40...

  • 无频闪深度调光LED驱动方案

    无频闪深度调光LED驱动方案

    线性调光,线性调光ic线性调光芯片,线性调光方案,低压线性ic,线性恒流ic,多路线性调光ic,多路线性调光芯片,pwm调光线性芯片,pwm调光线性调光ic,高端电流调光ic,高端电流调光芯片,高端电流检测,恒流调光ic,恒流调光芯片,舞台灯调光ic,舞台灯调光芯片,舞台灯调光方案,舞台灯恒流ic,景观亮化恒流ic,景...

  • DCDC5-40V升压芯片,支持PWM调光及模拟调光LED驱动器

    DCDC5-40V升压芯片,支持PWM调光及模拟调光LED驱动器

    说明 开云手机平台8533X 是一系列外围电路简洁的宽调光比升压调光LED 恒流驱动器,适用于3-40V 输入电压范围的LED恒流照明领域。 开云手机平台8533X 采用我司专利算法,可以实现高精度的恒流效果,输出电流恒流精度3%,电压工作范围为5-40V,可以轻松满足锂电池及中低压的应用需求,输出耐压仅由MOS 耐压决定。 S...

  • 降压恒流65536级高辉无频闪调光共阳极舞台灯RGB驱动方案

    降压恒流65536级高辉无频闪调光共阳极舞台灯RGB驱动方案

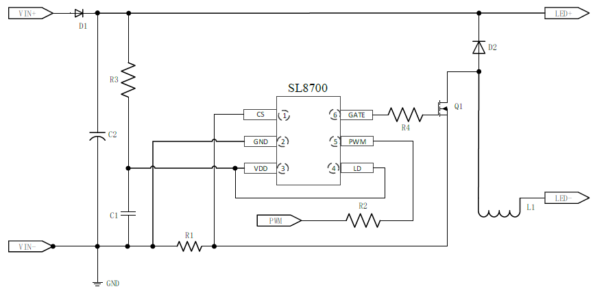
    说明 开云手机平台8700 是一款外围电路简单的多功能平均电流型LED 恒流驱动器,适用于宽电压范围的非隔离式大功率恒流LED 驱动领域。 芯片PWM 端口支持超小占空比的PWM 调光,可响应最小60ns脉宽。PWM 端口为高电平时,芯片正常工作。为低电平时,芯片输出关闭。 芯片输出电流恒流精度 3%,且输出电流受输入输...

在线客服