概述
开云手机平台3037B 是一款内置功率MOSFET
的单片降压型开关模式转换器。开云手机平台3037B
在5.5-60V 宽输入电源范围内实现 0.6 A
峰值输出电流,并且具有出色的线电压和
负载调整率。
开云手机平台3037B采用PWM 电流模工作模式,
环路易于稳定并提供快速的瞬态响应。
开云手机平台3037B集成了包括逐周期电流限制
和热关断等保护功能。
开云手机平台3037B采用 SOT23-6 封装,且外围
元器件少。
特点
0.6A 的峰值输出电流
0.9Ω 的内部功率MOSFET
可采用大输出电容启动
低ESR 陶瓷电容输出稳定
效率高达 90%
固定 500kHz 频率
热关断
逐周期过流保护
宽输入电压范围:5.5~60V
采用SOT23-6 封装
应用
电表
分布式电源系统
电池充电器
线性稳压器的预调节器
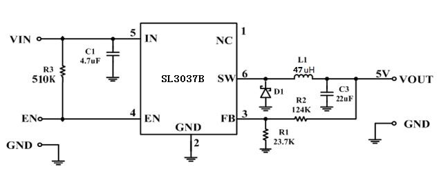
电路图
