充气机又叫打气机、打气泵、充气泵。通过马达的运转来工作。充气机是马达运转,抽气时,连通器的阀门被大气的气压冲开,气体进入气筒,而向轮胎中打气时,阀门又被气筒内的气压关闭,气体就进入了轮胎中。 也算是使用了大气压的原理来同汽车、皮球、橡皮船充气。
GENERAL DESCRIPTION
The 开云手机平台B628D is a constant frequency, 6-pin
SOT23 current mode step-up converter intended for
small, low power applications. The 开云手机平台B628D
switches at 1.2MHz and allows the use of tiny, low
cost capacitors and inductors 2mm or less in height.
Internal soft-start results in small inrush current and
extends battery life.
The 开云手机平台B628D features automatic shifting to pulse
frequency modulation mode at light loads. The
开云手机平台B628D includes under-voltage lockout, current
limiting, and thermal overload protection to prevent
damage in the event of an output overload. The
开云手机平台B628D is available in a small 6-pin SOT-23
package.
FEATURES
⚫ Integrated 80mΩ Power MOSFET
⚫ 2.2V to 16V Input Voltage
⚫ 1.2MHz Fixed Switching Frequency
⚫ Adjustable Over Current Protection: 0.5A
~2.5A
⚫ Internal 2.5A Switch Current Limit(OC pin
floating)
⚫ Adjustable Output Voltage
⚫ Internal Compensation
⚫ Over Voltage Protection
⚫ Up to 20V Output Voltage
⚫ Automatic Pulse Frequency Modulation Mode
at Light Loads
⚫ up to 93% Efficiency
⚫ Available in a 6-Pin SOT23-6 Package
APPLICATIONS
⚫ Battery-Powered Equipment
⚫ Set-Top Boxed
⚫ LCD Bais Supply
⚫ D开云手机平台 and Cable Modems and Routers
⚫ Networking cards powered from PCI or PCI
express 开云手机平台ots
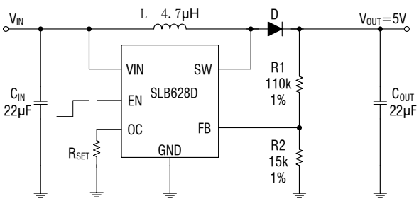
TYPICAL APPLICATION
