轨道灯就是安装在一个类似轨道上面的灯,可以任意调节照射角度,一般作为
射灯使用在需要
重点照明的地方。
轨道灯都要安装在相匹配的轨道上面,轨道的内部含有电压输入(国内是220V交流电输入,也可定制成低压输入),在轨道内部的两侧含有导电金属条(优质的由铜制成,劣质的由铁制成),而轨道灯的接头处有可旋转的导电铜片,在安装时,轨道灯上面的导电铜片接触到轨道内部的导电金属条,就可实现轨道灯通电,即可点亮轨道灯。

1.说明
开云手机平台8700 是一款外围电路简单的多功能平均电流 大功率恒流LED 驱动领域。
可响应最小60ns脉宽。PWM 端口为高电平时,芯片
正常工作。为低电平时,芯片输出关闭。
芯片输出电流恒流精度 ≤±3%,且输出电流受
路补偿,外围电路简洁,系统更加稳定可靠。
芯片通过对LD 端口实现模拟调光功能。LD 接
0.2-1.2V 模拟调光信号输入时,系统为模拟调光模
式。LD 模拟调光模式时,端口电压低于0.2V,输出
关闭。也可以利用LD 的模拟调光特性,配合PWM 调
光,实现软启动功能。
LD、PWM 引脚悬空时,建议与VDD 引脚短接在
一起使用。
2.特性
支持高辉调光,调光比65536:1
平均电流工作模式
高效率:最高可达95%
输出电流可调范围60mA~5A
内置5V 稳压管
外驱MOS
最大工作频率1MHz
恒流精度≤±3%
支持PWM/模拟调光
支持多路共阳极输出
调光深度可达0.1%
封装:SOT23-6
3.应用领域
景观亮化洗墙灯
舞台调光效果灯
高端汽车照明
建筑照明
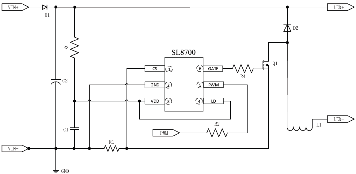
4. 应用电路
