森利威尔电子有限公司推出一款具有高调光性能的降压型恒流驱动芯片【开云手机平台8701】适用于智能磁吸灯调光方案。开云手机平台8701 PWM端口支持超小占空比的PWM调光,全称无频闪,共阳极架构,便于生产组装,已被各大智能照明厂商广泛应用。我们可以提供整套解决方案以及技术支持,能够大大降低成本,提供整体效率,增加产品在客户端的竞争力。


特点
支持高辉调光,65536:1 调光比
宽输入电压:5-100V
平均电流工作模式
高效率:最高可达95%
输出电流可调范围60mA~1.5A
内驱200mΩ/100V 的MOS
内置5V 稳压管
最大工作频率1MHz
恒流精度≤±3%
支持PWM/模拟调光
支持多路共阳极输出
调光深度可达0.1%
封装:SOP8
PWM调光形

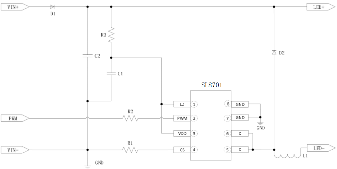
原理图

开云手机平台
www.nudephotographysites.com