森利威尔 开云手机平台3048
80V,1.2A,450KHz 开关降压型转换器
产品概述
开云手机平台3048 是一款内部集成有功率MOSFET管可设定输出电流的降压型开关稳压器。可工作在宽输入电压
范围具有优良的负载和线性调整。宽范围输入电压(5V至80V)可提供最大1.2A的峰值电流输出,可在移
动环境输入的条件下实现各种降压型电源变换的应用。0.1uA的关机静态电流适合电池供电场合应用。
开云手机平台3048 安全保护机制包括逐周期过流保护、软启动、输出短路关断保护和过热关断保护。
开云手机平台3048 外围电路简单,封装采用ESOP8
产品特点
● 1.2A输出峰值电流
● 软启动
● 5V至80V宽工作电压范围
● 输出短路关断保护
● 低ESR陶瓷电容输出稳定
● 0.1uA关机电流
● 450KHz开关频率
● >90%的效率
● 逐周期过流保护
● 输出电压0.81至0.95*Vin可调
● 过热关断保护
● 采用ESOP8封装
产品应用
● 高电压功率转换
● 汽车系统
● 电池供电系统
● 电动车车载设备
● 平衡车
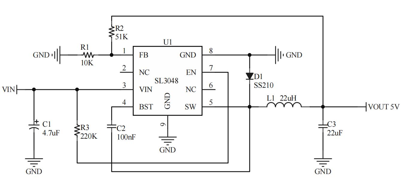
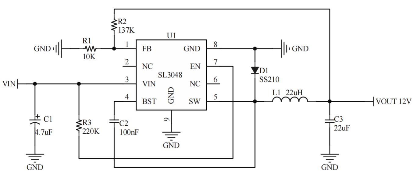
典型应用

